Дневные ходовые огни (ДХО)
Посетитель Тула Сообщений: 749 |
покупные? с блоком управления? | ||||||||
Посетитель Челябинск Сообщений: 1182 |
| ||||||||
Посетитель Воронеж Сообщений: 1348 |
kit includes-Китай...обзываются они. | ||||||||
Посетитель Иркутск Сообщений: 452 |
Случайно, не круглые с 9-ю светодиодами (1 посередине)? Была такая хрень на старой машине - сколько ни кутал блок управления в фольгу, не помогало. Выкинул блок нафиг - через три дня заметил, что ДХО не горят, половина диодов с черной точкой - пробило нахрен. Так что выбирай - или радио, или чайна-ДХО. П.С. Благо, сторговал у китаез за 500 - не так жалко было. После этого купил простенькие ПТФ, впендюрил светодиодные лампочки - и вуаля, с ними же и продал. | ||||||||
Посетитель Москва Сообщений: 585 |
Сегодня наткнулся на обзорчик: http://mysku.ru/blog/aliexpress/15441.html Сам заказал такие: http://www.ebay.com/itm/2-X-Bright-White-3W-Fog-Aux-Day-Running-Light-L-Shaped-/160599926210?pt=US_Car_Lighting&hash=item25648065c2 Как приедут - буду дорабатывать охлаждение как-то и силиконить корпус перед установкой. RS0Y5-42-00L Белый люкс 7 мест. K4M/JR5 ![]() | ||||||||
Посетитель Челябинск Сообщений: 1182 |
У меня были Sho-me DRL-806 + блок управления, тоже Китай. На тюнер магнитолы наводок не было. | ||||||||
Посетитель Челябинск Сообщений: 1182 |
У меня были Sho-me DRL-806 + блок управления, тоже Китай. На тюнер магнитолы наводок не было. | ||||||||
Посетитель Воронеж Сообщений: 1348 |
| ||||||||
Посетитель Челябинск Сообщений: 1182 |
Да и со стандартом по установке ДХО есть небольшие расхождения. Ваши ДХО по размерам как раз вписываются в решетку по краям номерного знака. Но там надо резать "по-живому" | ||||||||
Посетитель Дзержинск Ниж. обл. Сообщений: 510 |
Наконец нашёл время реализовать идею ЭДУАРДА76 (обед выдался немного свободным). Заняло минут 10-15 (с внимательным наблюдением за процессом со стороны коллеги-логановода, у него тоже ПТФ есть). Из запланированного осталось докупить LED лампы Н11 и отучиться крутить переключатели после пуска двигателя . ЭДУАРДУ76 огромное спасибо за идею и подробный отчёт .RS0Y5L, серебристый, 42-02K | ||||||||
Посетитель Уфа Сообщений: 133 |
В праздники я заделал себе ДХО с использованием дальнего света фар с уменьшенной яркостью. Вот как смотрится: Правда было облачно. А это дальний свет: Снято с 25 метров. Час у меня дальний и ближний свет работают через электронное реле и без зажигания не включаются. А алгоритм работы такой: Включаются автоматически через 15 сек. после включения зажигания. Потянули ручник, отключаются Включили габариты, отключаются Питание подаетя от зажигания Моргание дальним светом сохранен(через эл. реле) При желании можно выключить, есть выключатель или вообще убрать, при этом все работает в штатном режиме. Помех радиоприёму нет. Редактировалось: 4 раз (Последний: 16 августа 2013 в 18:02) | ||||||||
Посетитель Пермский край Сообщений: 1362 |
Редактировалось: 1 раз (Последний: 13 мая 2013 в 20:42) ![]() Клубные наклейки и любые другие vinil59@yandex.ru Студия наклеек "Летито+" www.vinil59.ru https://www.youtube.com/channel/UCT4JNfFY-fsZxtAPeYAKdwA | ||||||||
Посетитель Уфа Сообщений: 133 |
Я его собрал на плате из двухстороннего стеклотекстолита размером 32 Х 60мм и поместил в корпус размером 35 Х 65 Х 20мм. Ни 1 провод не резал установил в салонном блоке предохранителей. Там сверху справа есть небольшой проём, обклеил шумкой туда и положил. Редактировалось: 1 раз (Последний: 14 мая 2013 в 20:15) | ||||||||
Посетитель Тула Сообщений: 749 |
осталось схемку увидеть ))) | ||||||||
Посетитель Уфа Сообщений: 133 |
Схемка:https://docs.google.com/file/d/0BxU9yn8z4kT3elp2dWtVZTA3VXM/edit?usp=sharing За основу взята схема генератора на NE555 с регулируемым коэффициентом заполнения при не измeнной частоте:http://electrik.info/main/praktika/662-konstrukcii-na-integralnom-taymere-555.html. Частота генератора примерно 100Герц. Скважность сделал примерно 27-30%. Больше уже ярковата получается по моему. Об этом очень много написано здесь:http://www.tavsar.com/day_running_lights.html и здесь:http://radiokot.ru/forum/viewtopic.php?f=43&t=38102&sid=5c1c905567f8822b306d6fff431aaaf3 Редактировалось: 4 раз (Последний: 14 августа 2013 в 17:28) | ||||||||
Посетитель Саяногорск, Хакасия Сообщений: 277 |
jauvit, Привет. Если несложно, кинь пожалуйста печатку. Компоновка получилась нормальная, надо попробовать. | ||||||||
Посетитель Уфа Сообщений: 133 |
Несложно. Только вот сюда можно згружать только изображения. Редактировалось: 3 раз (Последний: 9 июня 2013 в 22:03) | ||||||||
Посетитель Уфа Сообщений: 133 |
Силовое +12В. подключил подпайкой к проводу дальнего света за колодкой разъёма переключателя света, массу прикрутил наклеммником к массе за щитком, зажигание и габариты подключил к провадам за колодкой предохранителей салона(то же подпайкой, ручник к проводке на разъёме щитка приборов.(Левый разъём снизу слева 4 провод серого света) На лампы питание подал через переходник на колодке предохранителей. Таким образам я снял нагрузку с контактов переключателя. Предохрантели перенёс на этот переходник. Выключатель там же рядом врезал. При желании можно всё восстановить, вытащить переходник вставить предохранители на место или вообще убрать блок. Редактировалось: 2 раз (Последний: 15 мая 2013 в 20:38) | ||||||||
Посетитель Башкирия Сообщений: 151 |
jauvit, САмый идеальный вариант. Почем сие устройство изготовишь и продашь? Приеду | ||||||||
Посетитель Ростов-на-Дону Сообщений: 965 |
to jauvit, надо патентовать и ставить на производство блок ДХО | ||||||||
Посетитель Башкирия Сообщений: 151 |
| ||||||||
Посетитель Уфа Сообщений: 133 |
| ||||||||
Посетитель Свердловская обл. Сообщений: 85 |
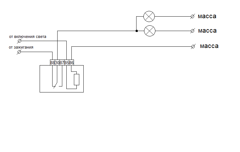
Я есшо жду своего ларгуса, ну и в процессе ожидания думаю чего в него добавит. По теме ДХО. Вот мой вариант. Рисовал есшо на девятку, но не успел даже собрать, продал. Должно работать так. Включаем зажигание загораются ДХО, при включении света ДХО гаснет. Так же можно зацепиться не от замка зажигания а от обмотки возбуждения генератора. В этом случае ДХО загорится когда авто заведется. Релюшки можно купить в любом автомагазине. На мой взгляд дешево и сердито. Прикрепленные файлы:
| ||||||||
Посетитель Москва - Митино Сообщений: 1581 |
| ||||||||
Посетитель Свердловская обл. Сообщений: 85 |
Я так понимаю это так будет. Прикрепленные файлы:
|
| В начало страницы |
Быстрый ответ
Чтобы писать на форуме, зарегистрируйтесь или авторизуйтесь.
Дхо
Путешествия на ларгусе
Подлокотник
Расход топлива
Магнитола
Пробег
Доработки
Первые впечатления
Камера заднего вида
Диски
То1
Сетка в бампер
Электрика
Покупка ларгуса
Освещение салона
Видеорегистратор
Дтп
Чехлы на ларгус
Ижевск
Стоп сигнал
Динамики
Дворники
Тюнинг
Шумоизоляция
Бокс на крышу
Тормозные колодки
Зимние шины
Рация
Ларгус
Тюнинг фонари
Птф
Обратный клапан
Упоры капота
Коврики
Тормоза
Установка салонного фильтра
Задние фонари
Брызговики
Фильтр салона
Освещение багажника
Гбо
Лада ларгус
Рки-19
Светодиод
Поездка на море
Шины и диски
Автозвук
Пороги
Моделька
Форсунки
Замена 5 передачи
Отзыв владельца
Подкрылки
Полка багажника
Ремонт
Лампа ближнего света
Уплотнитель капота
Бачок омывателя
Парктроник
То-1








. ЭДУАРДУ76 огромное спасибо за идею и подробный отчёт
.











надо патентовать и ставить на производство блок ДХО



