Посетитель Тюмень Сообщений: 1608 | | #26 - 13 марта 2013 в 16:48 | |
| Митрич: | | Пока самое оптимальное, что встречалось, это девайс ЭДУАРДа76 |
Ну так у меня сделано только на ПТФ. Тем, у кого их нет в наличии, остаётся только подключение автосвета на БС. А как?  Ларгус продан. Хожу пешком. |
Посетитель Тюмень Сообщений: 1608 | | #27 - 13 марта 2013 в 16:56 | |
На Драйве на Логана поставили автосвет(хоть на ПТФ, хоть на БС) на релюшках,с отключением(включением) от ручника. Схемка простецкая, смотрите- http://www.drive2.ru/cars/renault/logan/logan_1st_generation/renault18rus/journal/?sort=asc. Ларгус продан. Хожу пешком. |
Посетитель Тюмень Сообщений: 1608 | | #28 - 13 марта 2013 в 17:11 | |
На форуме Логана простая схемка из 1-го 4 конкт. реле (от Narimana), на включение автоматом БС сразу после запуска ДВС.Он так-же писал, что возможно его подключить в салонном блоке предохранителей. Так-же в конце этой страницы, подключение автосвета на БС с монтажом релюшек на БС и ДС, для защиты от перегрузки на подрулевые переключатели. Ссылка на страницу- http://logan.ru/forum/viewtopic.php?f=25&t=11278&start=1665. Изучайте!
 Ларгус продан. Хожу пешком. |
Посетитель Тюмень Сообщений: 1608 | | #29 - 13 марта 2013 в 18:18 | |
Вот его же, но чуть доработанные- http://forum.logan.ru/viewtopic.php?f=25&t=11278&start=1305.
Думаем, и по возможности улучшаем!  Ларгус продан. Хожу пешком. |
Посетитель Тюмень Сообщений: 1608 | | #30 - 13 марта 2013 в 18:29 | |
Схемка из 2-х реле на автовключение БС от датчика масла и от ручника.
Изображение уменьшено. Щелкните, чтобы увидеть оригинал.
Ларгус продан. Хожу пешком. |
Посетитель Тюмень Сообщений: 1608 | | #31 - 13 марта 2013 в 18:37 | |
Ещё парочка схем с одним реле на автовключение БС
Изображение уменьшено. Щелкните, чтобы увидеть оригинал.
Изображение уменьшено. Щелкните, чтобы увидеть оригинал.
Осуществляем на своём Ларгусе, отписываемся по монтажу в своих блогах, с фотографиями! Это просьба.  Редактировалось: 1 раз (Последний: 13 марта 2013 в 18:44) Ларгус продан. Хожу пешком. |
Посетитель Свердловская обл. Сообщений: 177 | | #32 - 13 марта 2013 в 19:47 | |
Вот схемка подключения ДХО на ближнего с габаритами, при включении штатного габарита всё отключается и переходит в штатный режим. (диоды ставим кремневые) Не ошибается тот, кто ничего не делает!!! АВТО RS0Y5-42-02D ЛЮКС, 7 МЕСТ, ПЛАТИНА. |
Посетитель Тюмень Сообщений: 1608 | | #33 - 13 марта 2013 в 19:58 | |
andriano, дай совет(схемку) , что-бы автосвет зажигался не после запуска ДВС, но и после лёгкого нажатия на педаль тормоза.  Ларгус продан. Хожу пешком. |
Посетитель Свердловская обл. Сообщений: 177 | | #34 - 13 марта 2013 в 20:03 | |
| ЭДУАРД76: | | что-бы автосвет зажигался не после запуска ДВС, но и после лёгкого нажатия на педаль тормоза. |
Зачем? фигня какая то,
Если ставить дополнительные фары то можно схемку упростить. Не ошибается тот, кто ничего не делает!!! АВТО RS0Y5-42-02D ЛЮКС, 7 МЕСТ, ПЛАТИНА. |
Посетитель Свердловская обл. Сообщений: 177 | | #35 - 13 марта 2013 в 20:08 | |
Ещё дополнение, я уже писал в теме клон,
светодиодные лампы подключить проще простого: плюс на любой плюсовой под капотом который запитывается после включение зажигания, а минус ДХО на плюс габарита. включаешь зажигание ДХО загорается, включаешь габарит ДХО гаснет. Не ошибается тот, кто ничего не делает!!! АВТО RS0Y5-42-02D ЛЮКС, 7 МЕСТ, ПЛАТИНА. |
Посетитель Химки Сообщений: 463 | | #36 - 13 марта 2013 в 20:15 | |
Подскажите, какой цоколь в противотуманках? Хочу впихнуть туда кукурузины, сделать ДХО. У меня 2 Ларгуса - 16кл. люкс 7 мест,SVV + ДДУ + 0.820, и 8кл. фургон, 84 л.с.Оба серебро. |
Посетитель Тюмень Сообщений: 1608 | | #37 - 13 марта 2013 в 20:34 | |
| andriano: | | Если ставить дополнительные фары то можно схемку упростить. |
Хотелось бы сделать на БС.
| andriano: | | Зачем? фигня какая то, |
Напротив , очень удобно. Завёл двигатель, перед началом трогания с места(хоть через полчаса) чуть тронул педальку - свет зажёгся, включил габариты или заглушил ДВС, автосвет погас.  Ларгус продан. Хожу пешком. |
Посетитель Тюмень Сообщений: 1608 | | #38 - 13 марта 2013 в 20:43 | |
| Neophyte: | | какой цоколь в противотуманках? |
Н 11.  Ларгус продан. Хожу пешком. |
Посетитель Вологда Сообщений: 1538 | | #39 - 14 марта 2013 в 08:07 | |
| ЭДУАРД76: | | Завёл двигатель, перед началом трогания с места(хоть через полчаса) чуть тронул педальку - свет зажёгся |
Тогда еще удобнее: отпустил ручник - свет зажегся, а на педальку тормоза нажимать не надо  KS0Y5-42-02K Серебристый (02D не было) отслужил верой и правдой 2,5 года, погиб в бою; теперь Ларгус Кросс 5 мест |
Посетитель Свердловская обл. Сообщений: 177 | | #40 - 14 марта 2013 в 08:49 | |
| ЭДУАРД76: | | Хотелось бы сделать на БС. |
На ближний свет лучше подойдёт схема пост 32, сам не один десяток авто оборудовал данным допом.
| MihPuch: | | Тогда еще удобнее: отпустил ручник - свет зажегся, а на педальку тормоза нажимать не надо |
Тоже не плохо.
можно сделать на дальний свет вполнакала, кто-то подцепляет на бензонасос, кто на лампу давления масла ДВС и ещё есть варианты и схемы. Не ошибается тот, кто ничего не делает!!! АВТО RS0Y5-42-02D ЛЮКС, 7 МЕСТ, ПЛАТИНА. |
Посетитель Сообщений: 3608 | | #41 - 14 марта 2013 в 08:50 | |
Людии... ау... Кто даст схему(картинку, фото) какие провода соединить чтобы просто загорался ближний(без габариток) при повороте ключа зажигания, без релюшек и прочего. Вижу кучу вариантов в постах, а самого простого не вижу. Редактировалось: 1 раз (Последний: 14 марта 2013 в 08:52) |
Посетитель Свердловская обл. Сообщений: 177 | | #42 - 14 марта 2013 в 08:54 | |
| Zuf: |
Людии... ау... Кто даст схему(картинку, фото) какие провода соединить чтобы просто загорался ближний при повороте ключа зажигания, без релюшек и прочего. Вижу кучу вариантов в постах, а самого простого не вижу.
|
За питать центральный через замок, включаешь ближний и оставил его, будет загораться и тухнуть при повороте ключа, но вариант так себе, не очень, т.к. включение через переключатель. Не ошибается тот, кто ничего не делает!!! АВТО RS0Y5-42-02D ЛЮКС, 7 МЕСТ, ПЛАТИНА. |
Посетитель Сообщений: 3608 | | #43 - 14 марта 2013 в 09:06 | |
| andriano: |
| Zuf: |
Людии... ау... Кто даст схему(картинку, фото) какие провода соединить чтобы просто загорался ближний при повороте ключа зажигания, без релюшек и прочего. Вижу кучу вариантов в постах, а самого простого не вижу.
|
За питать центральный через замок, включаешь ближний и оставил его, будет загораться и тухнуть при повороте ключа, но вариант так себе, не очень, т.к. включение через переключатель.
|
Что за переключатель? на что влияет? Центральный так понимаю "плюс" на ближний? и его нужно к "плюсу" на замке зажигания подключить? и где эту перемычку лучше сделать? в блоке передохр. или где-то ещё удобней? Извиняюсь за кучу нубских вопросов. Было бы неплохо в фотографиях,(вот этот проводок - вот к этому,всё!) Думаю не один я здесь любитель простых решений. Редактировалось: 1 раз (Последний: 14 марта 2013 в 09:09) |
Посетитель Тюмень Сообщений: 1608 | | #44 - 14 марта 2013 в 09:10 | |
| Zuf: | | чтобы просто загорался ближний(без габариток) при повороте ключа зажигания, без релюшек и прочего. |
При каждом запуске двигателя, нагрузка на генератор офигительная. А оно надо?!  Ларгус продан. Хожу пешком. |
Посетитель Сообщений: 3608 | | #45 - 14 марта 2013 в 09:16 | |
| ЭДУАРД76: |
| Zuf: | | чтобы просто загорался ближний(без габариток) при повороте ключа зажигания, без релюшек и прочего. |
При каждом запуске двигателя, нагрузка на генератор офигительная. А оно надо?! 
|
Какая офигительная? 55Вт+55Вт это офигительная? никакой сверх-нагрузки не вижу. Такая схема успешно применяется на Калине, и даже была рекомендована в журнале "За рулём". Редактировалось: 1 раз (Последний: 14 марта 2013 в 09:19) |
Посетитель Тюмень Сообщений: 1608 | | #46 - 14 марта 2013 в 09:39 | |
| Zuf: | | и где эту перемычку лучше сделать? в блоке передохр. или где-то ещё удобней? |
В салонном блоке предов. На БС идут F-09 и 10. +после замка зажигания если не ошибаюсь F-32(обогрев стекла задн.двери), но лучше прозвонить. Ларгус продан. Хожу пешком. |
Посетитель Вологда Сообщений: 1538 | | #47 - 14 марта 2013 в 09:42 | |
| andriano: | | можно сделать на дальний свет вполнакала |
Это очень интересное решение, учитывая, что нити дальнего света работают редко и первыми не перегорают. Кроме того, снизится нагрузка на генератор. KS0Y5-42-02K Серебристый (02D не было) отслужил верой и правдой 2,5 года, погиб в бою; теперь Ларгус Кросс 5 мест |
Посетитель Тюмень Сообщений: 1608 | | #48 - 14 марта 2013 в 09:46 | |
| MihPuch: | andriano:
можно сделать на дальний свет вполнакала
Это очень интересное решение, учитывая, что нити дальнего света работают редко и первыми не перегорают. Кроме того, снизится нагрузка на генератор. |
В идеале на 30% накала. Видно из далека отлично. Нагрузка минимальна!  Ларгус продан. Хожу пешком. |
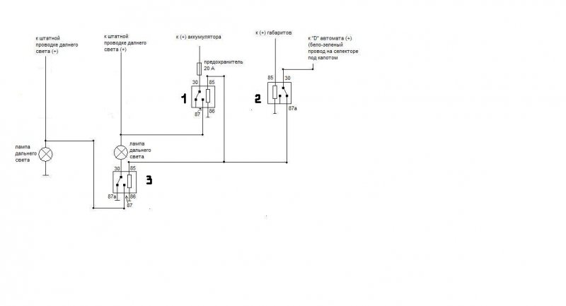
Посетитель Свердловская обл. Сообщений: 177 | | #49 - 14 марта 2013 в 10:07 | |
перегорают. Кроме того, снизится нагрузка на генератор.[/quote]
| ЭДУАРД76: | | В идеале на 30% накала. Видно из далека отлично. Нагрузка минимальна! |
Правильный интерес, а вот и схема: Не ошибается тот, кто ничего не делает!!! АВТО RS0Y5-42-02D ЛЮКС, 7 МЕСТ, ПЛАТИНА. |
Посетитель Свердловская обл. Сообщений: 177 | | #50 - 14 марта 2013 в 10:17 | |
| Zuf: | | Какая офигительная? 55Вт+55Вт это офигительная? никакой сверх-нагрузки не вижу. |
Совершенно верно, нагрузка не особо возрастёт, и не чего страшного не произойдёт.
| Zuf: | | Что за переключатель? на что влияет? Центральный так понимаю "плюс" на ближний? и его нужно к "плюсу" на замке зажигания подключить? и где эту перемычку лучше сделать? в блоке передохр. или где-то ещё удобней? Извиняюсь за кучу нубских вопросов. |
Я имел ввиду подключение общего питания к центральному переключателю света через замок, в штатном режиме питание сделано на прямую. Лично я не рекомендую подобную фигню. Вся эта переделка не к чему плохому не приведёт, но надо будет постоянно оставлять переключатель на ближнем свете, т.к. переключатель без реле не обойти, и кто угодно может его выключить и т.д.
Лично я эту тему развивать не буду, чтобы не морочить людям голову. Не ошибается тот, кто ничего не делает!!! АВТО RS0Y5-42-02D ЛЮКС, 7 МЕСТ, ПЛАТИНА. |